乾式筋電センサーの信号ケーブルの先端に接続されているコネクタに対応する5Pヘッダーとリファレンス電極バンドの先端に接続されているオスコネクタに対応する受け側コネクタを搭載したプリント基板です。乾式筋電センサーへの電源供給、筋電出力信号の中継および、リファレンス電極バンドとの接続用として活用できます。
ダウンロード
基本仕様
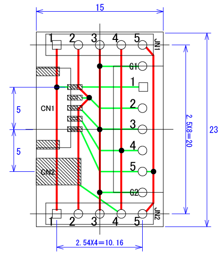
| 外形 | 幅15mm×奥行き23mm×高さ10mm |
|---|---|
| センサー信号 コネクタ |
SM05B-GHS-TB (JST製GHコネクタベース) |
| 基準電極信号 コネクタ |
HH-3-S(マックエイト製表面実装用コネクタ) |
| 5Pヘッダー (CN3) |
XJ8B-0511 |
| スルーホール (JN1) |
5Pヘッダー(CN3)ピン番号(1~5)と同様 |
| スルーホール (JN2) |
5Pヘッダー(CN3)ピン番号(1~5)と同様 |
外形図

接続例
